
We developed EBS for the operation in electric or hybrid vehicles on one axle. A vehicle specific wiring harness can be purchased (vehicle specific definition is needed).
The EBS is specifically adapted for motorsport use. Individual car parameters like e.g. brake pads friction can be calibrated with software free of charge. Please contact your Bosch Motorsport dealer for further information.
- Downloads
- Features
- Technical Specifications
- Communication
- Installation Notes
- Ordering Information
- Dimensions
- Legal Restrictions
Downloads
Features
- Suitable for one axle use
Technical Specifications
Mechanical Data
Hydraulic unit | |
|---|---|
Serial housing, dust- and damp-proof | |
Vibration damped circuit board | |
38 pin connector | |
6 hydraulic valves for inlet/outlet | |
1 separation backup valve | |
1 electric pump motor | |
1 hydraulic accumulator | 160 bar/90 cm3 |
Standard fittings | M12 x 1 |
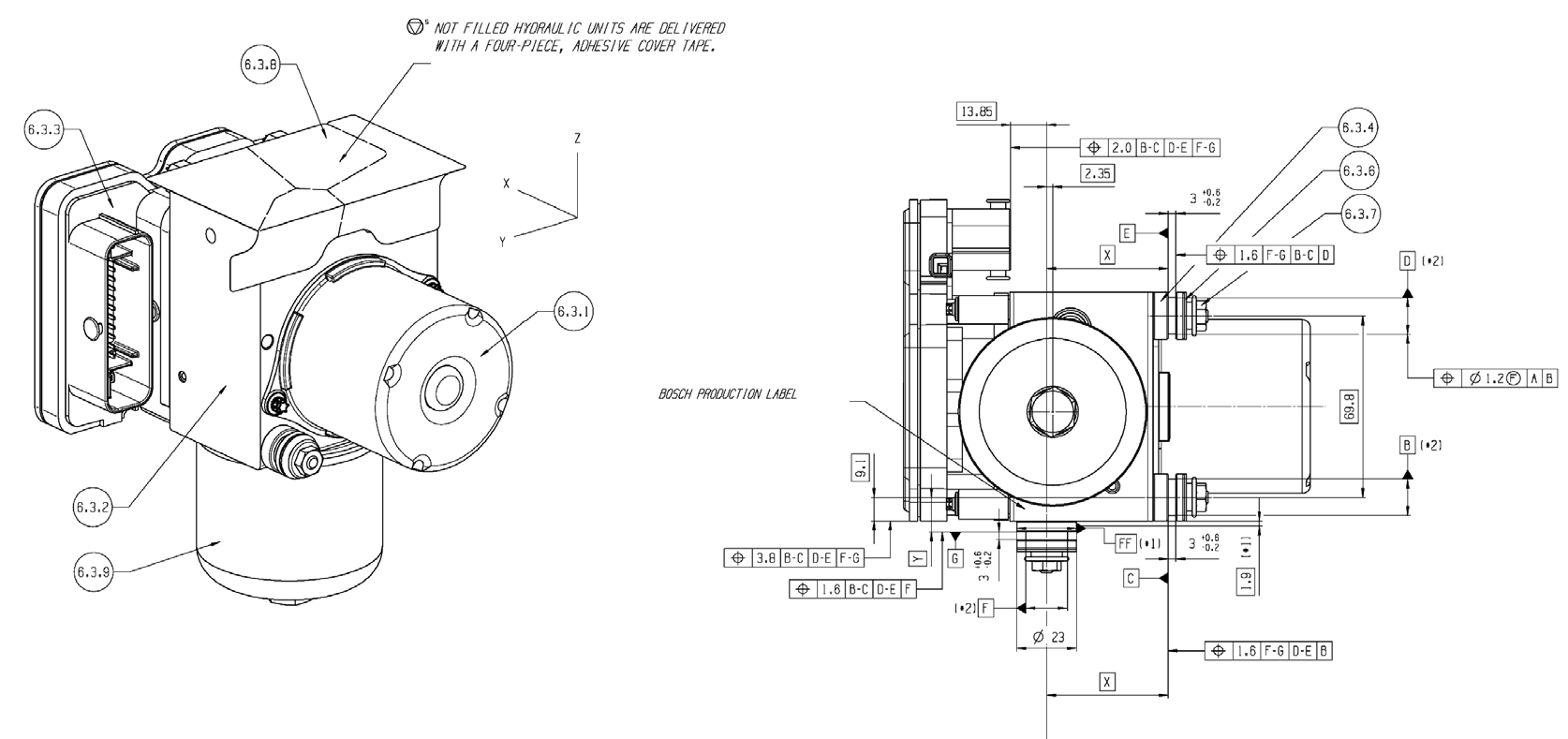
Size | 176 x 144 x 157 mm |
Operating temperature | -30 to 130°C |
Max. shock | 50 g less than 6 ms |
Max. working pressure | 130 bar; max. recommended locking pressure 120 bar |
Max. pressure gradient | up to 2,000 bar/s |
Pressure Medium
DOT 4 brake fluid |
DOT 5.1 brake fluid |
Electrical Data
Supply voltage | 10 to 16 V |
Max. peak voltage | 35 V for 200 ms |
Max. peak at start | <165 A |
Current consumption Pump | <40 A |
Current consumption Relay | <16.5 A |
Power consumption Electronics | <1.5 A |
Inputs
1 x PWM Target (Pressure or Torque) |
1 x PWM input calliper pressure |
1 x CAN1; 500 k or 1 Mb selectable |
1 x CAN1 DC (Daisy Chain) |
EBS function switch 6 positions via CAN1 |
Outputs
EBS warning light (MIL) via CAN1 |
EBS diagnostic via CAN1 |
Required Additionals
Mounting Board for Hydraulic Unit |
|
Pressure Sensors Fluid PSS-260 | 2 required |
Com Interface MSA Box II | Required for communication and programming, not mandatory if available |
Spare Parts
Mounting Rubber Elements Kit | 5 sets (10 units Ø 18 mm; |
Component Weights
Hydraulic Unit | 3,630 g |
Mounting Board for Hydraulic Unit | 300 g |
2 Pressure Sensors Fluid PSS-260 | 40 g/each |
Vehicle specific wiring harness with motorsport connectors | Depends on version |
Pin Configuration
1 | UB_MR |
... |
|
13 | GND_MR |
14 | CAN1M |
15 | CAN1M-DC |
... |
|
25 | UB_VR |
26 | CAN1P |
27 | CAN1P-DC |
28 | WAU_IN |
... |
|
31 | PWM Gnd |
... |
|
33 | PWM 5 V |
... |
|
36 | P_Target_PWM |
37 | P Caliper PWM in |
38 | GND_ECU |
Communication
Installation Notes
Maintenance Interval (brake fluid change, bleeding): 220 h or a maximum of two years.
The load on the hydraulic unit in racing is much higher than in pure road operation, therefore we recommend a replacement of the unit after one year.
Ordering Information
Electronic Brake System EBS
Order number: F02U.V02.900-01
Com Interface MSA-Box II
Not mandatory if available
Order number: F02U.V00.327-03
Mounting Board for Hydraulic Unit
Order number: 0265.Y5H.505-01
Pressure Sensor Fluid PSS-260
Order number: 0261.545.040
Mounting Rubber Elements Kit
Spare Part
Order number: F02U.V03.318-01
Dimensions


Legal Restrictions
Generally blocked are direct and indirect business involving high risk destinations, including Russia, Belarus, Cuba, Iran, North Korea, Syria, Libya, Afghanistan, and certain non-governmental controlled Ukrainian regions. This list may change as geopolitics evolve.
