ps_skip_to_main

Expansion Board Digital Multichannel Pot.

Expansion Board Digital Multichannel Pot.

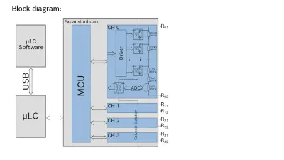
The Digital Multichannel Potentiometer Expansion Board extends the functionality of the µLC Test System by seamless integration into an existing device. It offers four independently configurable, galvanically isolated digital potentiometers with a wide range of resistance and excellent accuracy. All four channels feature individual protection by an automatic overcurrent shutdown with automatic retry.

Product Highlights

Features

  • 4 independent, galvanically isolated, AC-capable channels
  • Wide range of resistance: 50 Ohm to 500 kOhm
  • High accuracy and 19 Bit Resolution
  • Overcurrent protection
  • Non-mechanical solid-state switches

Product Details

Emulating Sensor Data
Emulating Sensor Data
Designed to work for example with the sensor interface L9966 (FlexI)
Maximum voltage on any input referred to µLC-GND
-24 to 24 V
Electrical Characteristics
Electrical Characteristics
Parameter
Value
Unit
Electrical Characteristics
Minimum Resistance
50
Ohm
Electrical Characteristics
Maximum Resistance
500
kOhm
Electrical Characteristics
Step Size
1
Ohm
Electrical Characteristics
Resolution
19
Bit
Accuracy
Accuracy
Parameter
Value
Accuracy
Entire Range
±0.5 Ohm ±1 %
.
.
.

Further Information

Expansion Board Digital Multichannel Pot.
Order number: F02U.V03.129-01

Generally blocked are direct and indirect business involving high risk destinations, including Russia, Belarus, Cuba, Iran, North Korea, Syria, Libya, Afghanistan, and certain non-governmental controlled Ukrainian regions. This list may change as geopolitics evolve.