ps_skip_to_main

Fuel Pressure Regulator Mini 5

Fuel Pressure Regulator Mini 5

Fuel pressure regulators are used to maintain constant fuel pressure at the injection valves.

We modified this production type based regulator especially for motorsport use and increased the pressure level.

The main benefit of this regulator include the competitively priced high quality and the high return flow rate.

Product Highlights

Features

  • 5 bar
  • 15 to 220 l/h reflow
  • Adjusted at 105 l/h
  • Sheet steel housing

Downloads

Literature

Product Details

Pressure range
5 bar
Pressure range
Reflow quantity
5 bar
15 to 220 l/h
Pressure range
Reference pressure connector
5 bar
Diam. 5 mm, tube connector
Pressure range
Fuel compatibility
5 bar
Gasoline (E85 or M15 with shortened lifetime)
Pressure range
Operating temperature
5 bar
-40 to 120°C
Pressure range
Storage temperature
5 bar
-40 to 100°C
Pressure range
Max. vibration
5 bar
<600 m/s² at 5 to 250 Hz
Pressure range
Valve leakage
5 bar
Qleck[cm3/min] ≤ 9 (pneumatic)
at p [kPa] = 0.8 x Pnom
Mechanical Data
Mechanical Data
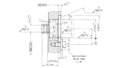
Diameter
34.9 mm
Mechanical Data
Weight
48.5 g
Mechanical Data
Mounting
Fastening with a clip
Characteristic
Characteristic
Set pressure accuracy
±2 % at 105 l/h
Connectors and Wires
Connectors and Wires
Connector supply
Diam. 25 mm, O-ring
Connectors and Wires
Connector reflow
Diam. 9.15 mm, O-ring
.

Further Information

The tube connector at the housing can be used to supply reference pressure to the regulator. This can be atmospheric pressure, air box pressure or manifold pressure.
The tube connector at the housing can be used to supply reference pressure to the regulator. This can be atmospheric pressure, air box pressure or manifold pressure.
Never run the regulator without the integrated filter.
The tube connector at the housing can be used to supply reference pressure to the regulator. This can be atmospheric pressure, air box pressure or manifold pressure.
Please oil O-rings lightly with clean and silicone free engine oil before you install the regulator.
The tube connector at the housing can be used to supply reference pressure to the regulator. This can be atmospheric pressure, air box pressure or manifold pressure.
Please make a leak test after you have installed the regulator.
The tube connector at the housing can be used to supply reference pressure to the regulator. This can be atmospheric pressure, air box pressure or manifold pressure.
When the pressure regulator is removed and will be reused, the O-rings must be tested for fractures.
The tube connector at the housing can be used to supply reference pressure to the regulator. This can be atmospheric pressure, air box pressure or manifold pressure.
Operation of the pressure regulator with a medium other than gasoline is not allowed.
The tube connector at the housing can be used to supply reference pressure to the regulator. This can be atmospheric pressure, air box pressure or manifold pressure.
This pressure regulator is not designed for in-tank mounting.

Fuel Pressure Regulator Mini 5
Order number: 0280.B02.722-03

FPR Adaptor light
Order number: F02U.V02.248-01

Generally blocked are direct and indirect business involving high risk destinations, including Russia, Belarus, Cuba, Iran, North Korea, Syria, Libya, Afghanistan, and certain non-governmental controlled Ukrainian regions. This list may change as geopolitics evolve.