ps_skip_to_main

Knock Sensor KS4-R

Knock Sensor KS4-R

This sensor is used for detecting structural born vibrations in spark ignition engines due to uncontrolled combustion. This sensor is suitable for operation in extreme conditions.

Due to the inertia of the seismic mass, the sensor moves in correlation to the engine block vibration; this motion results in a compressive force which is converted into a voltage signal via a piezoceramic sensor element. As a result, upper and lower voltage thresholds can be defined directly correlating to an acceleration magnitude.

The main benefits of this sensor are its robust mechanical design, compact housing and precise determination of structure-related noise. Connection to this sensor can be tailored to customer requirements through specified wire lengths and various connector options.

Product Highlights

Features

  • Frequency: 3 to 25 kHz
  • Weight: 82 g
  • Height sensor head: 18 mm

Downloads

Literature

Product Details

Application
3 to 25 kHz
Application
Operating temperature range
3 to 25 kHz
-40 to 130°C
Application
Storage temperature range
3 to 25 kHz
-30 to 60°C
Application
Max. vibration
3 to 25 kHz
≤ 800 m/s2
Mechanical Data
Mechanical Data
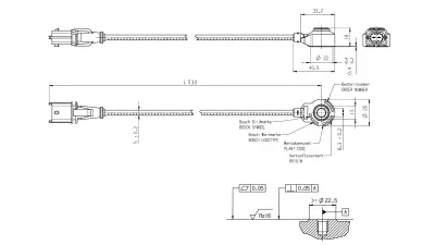
Male thread (for cast)
M8x25
Mechanical Data
Male thread (for AI)
M8x30
Mechanical Data
Installation torque
20 ± 5 Nm
Mechanical Data
Weight w/o wire
82 g
Mechanical Data
Protection
IP 54
Electrical Data
Electrical Data
Range of frequency
3 to 25 kHz
Electrical Data
Sensitivity at 5 kHz
28.8 mV/g
Electrical Data
Max. sensitivity changing (lifetime)
-17 %
Electrical Data
Linearity between 5 to 15 kHz (from 5 kHz value)
-10 to 10 %
Electrical Data
Linearity between 15 to 20 kHz (linear increasing with freq)
20 to 50 %
Electrical Data
Main resonance frequency
> 30 kHz
Electrical Data
Impedance
> 1 MOhm
Electrical Data
Temperature dependence of sensitivity
0.04 mV/g°C
Electrical Data
Capacity field
1,150 ± 200 pF
Connectors and Wires
Connectors and Wires
Connector
A261.230.252
Connectors and Wires
Mating connector 2-pole
2-Pin RB-Kp.1 (D261.205.337-01)
Connectors and Wires
Pin 1
Sig +
Connectors and Wires
Pin 2
Sig -
Connectors and Wires
Sleeve
PUR
Connectors and Wires
Wire size
0.5 mm2
Connectors and Wires
Wire length L
530 mm
Connectors and Wires
Various motorsport and automotive connectors on request.
.

Further Information

The KS4-R can be connected to all Bosch Motorsport ECUs featuring knock control
The KS4-R can be connected to all Bosch Motorsport ECUs featuring knock control
The sensor must rest directly on the brass compression sleeve during operation.
The KS4-R can be connected to all Bosch Motorsport ECUs featuring knock control
To ensure low-resonance coupling of the sensor to the measurement location, the contact surface must be clean and properly machined to provide a secure flush mounting.
The KS4-R can be connected to all Bosch Motorsport ECUs featuring knock control
Please route the sensor wire in a way that prevents resonance vibration.
The KS4-R can be connected to all Bosch Motorsport ECUs featuring knock control
Please find further application hints in the offer drawing at our homepage.
Safety Note
Safety Note
The sensor is not intended to be used for safety related applications without appropriate measures for signal validation in the application system.

Knock Sensor KS4-R

Order number: 0261.231.218

Generally blocked are direct and indirect business involving high risk destinations, including Russia, Belarus, Cuba, Iran, North Korea, Syria, Libya, Afghanistan, and certain non-governmental controlled Ukrainian regions. This list may change as geopolitics evolve.