ps_skip_to_main

Pressure Sensor Combined PST-F 2 280 bar

Pressure Sensor Combined PST-F 2 280 bar

This sensor is designed to measure absolute gasoline pressure and gasoline temperature in direct injection systems.

The pressure measurement is based on the expansion of a steel diaphragm, where strain gauges are placed to a Wheatstone bridge. The measured signal is proportional to the pressure and is processed in an application specific integrated circuit.

The temperature measurement is conducted by an NTC thermistor. The main feature of this sensor is its compact design and the integration of two functions (temperature and pressure measurements) in a common housing.

Product Highlights

Features

  • Pressure: 0 to 280 bar
  • Temperature: -40 to 140°C
  • Power supply: 5 V
  • Weight: 36 g

Product Details

Application 1
0 to 280 bar
Application 1
Reference
0 to 280 bar
Absolute
Application 1
Max. pressure
0 to 280 bar
340 bar
Application 1
Application 2
0 to 280 bar
-40 to 140°C
Application 1
Resistance at 25°C
0 to 280 bar
10 kOhm
Application 1
Operating temp. range
0 to 280 bar
-40 to 140°C
Application 1
Media temp. range
0 to 280 bar
-40 to 140°C
Application 1
Storage temp. range
0 to 280 bar
-40 to 60°C
Application 1
Biofuel compatibility
0 to 280 bar
E26, E85
Application 1
Max. vibration
0 to 280 bar
210 m/s2RMS at 147 to 1,350 Hz
175 m/s2RMS at 1,350 to 2,000 Hz
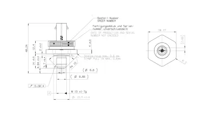
Mechanical Data
Mechanical Data
Male thread
M10x1
Mechanical Data
Weight without wire
36 g
Mechanical Data
Wrench size
27 mm
Mechanical Data
Installation torque
37.5 ± 2.5 Nm
Mechanical Data
Sealing
Sealed cone
Electrical Data
Electrical Data
Power supply US
4.75 to 5.25 V
Electrical Data
Max power supply USmax
16 V (18 V for max. 1 h)
Electrical Data
Full scale output UA
0.5 to 4.5 V USratiometric
Electrical Data
Current IS
12 mA
Characteristic 1
Characteristic 1
Response time T10/90
Pressure: 0.2 to 0.8 ms
Temperature: 9 s (response time of temperature signal in oil dip bath 20 to 100°C)
Characteristic 1
Compensated range
-40 to 130°C
Characteristic 1
Tolerance (FS) at US
+/- 1 % at 0 to 100°C
+/- 1.5 % at -40 to 0°C and 100 to 130°C
Characteristic 1
Sensitivity at US= 5 V
14.3 mV/bar
Characteristic 1
Offset
500 mV at US= 5 V
Characteristic 2
Characteristic 2
T [°C]
R [Ohm]
Characteristic 2
-40
243,241
Characteristic 2
-30
135,753
Characteristic 2
-20
78,716
Characteristic 2
-10
47,258
Characteristic 2
0
29,287
Characteristic 2
10
18,684
Characteristic 2
20
12,240
Characteristic 2
25
10,000
Characteristic 2
30
8,218
Characteristic 2
40
5,642
Characteristic 2
50
3,955
Characteristic 2
60
2,826
Characteristic 2
70
2,055
Characteristic 2
80
1,519
Characteristic 2
90
1,141
Characteristic 2
100
868.4
Characteristic 2
110
669.9
Characteristic 2
120
523.2
Characteristic 2
130
413.3
Characteristic 2
140
330.0
.
Connectors and Wires
Connectors and Wires
Connector
Hirschmann
Connectors and Wires
Mating connector
F02U.B00.596-01
Connectors and Wires
Pin 1
Ground
Connectors and Wires
Pin 2
Pressure Signal
Connectors and Wires
Pin 3
Temperature Signal
Connectors and Wires
Pin 4
Power Supply
Connectors and Wires
Various motorsport and automotive connectors are available on request.
.

Further Information

The sensor can be connected directly to most control units.
The sensor can be connected directly to most control units.
For temperature measurement please use a pull-up resistor with an optimal value of 4.6 kOhm.
The sensor can be connected directly to most control units.
The sensor has a protection for overvoltage, reverse polarity and short-circuit.
The sensor can be connected directly to most control units.
Please find further application hints in the offer drawing and free download of the sensor configuration file (*.sdf) for the Bosch Data Logging System at our homepage.
Safety Note
Safety Note
The sensor is not intended to be used for safety related applications without appropriate measures for signal validation in the application system.

Pressure Sensor Combined PST-F 2 280 bar
Order number: 0261.545.115

Generally blocked are direct and indirect business involving high risk destinations, including Russia, Belarus, Cuba, Iran, North Korea, Syria, Libya, Afghanistan, and certain non-governmental controlled Ukrainian regions. This list may change as geopolitics evolve.