
This single fire coil is a low cost concept designed to connect a high voltage wire on the coil.
The coil has an integrated transistor and requires an ECU with internal ignition drivers.
- Downloads
- Features
- Application
- Technical Specifications
- Installation Notes
- Ordering Information
- Dimensions
- Legal Restrictions
Downloads
Features
- Max. 33 kV
- Min. 65 mJ
- Connection for high voltage wire
- Max. 10,000 1/min (with reduced dwell time)
- Developed for GDI engines
Application
Spark energy | ≥ 65 mJ |
Primary current | ≤ 7.0 A |
Operating temperature range at outer core | -40 to 140°C |
Storage temperature range | -40 to 140°C |
Max. vibration | ≤ 250 m/s2 at 5 to 2,000 Hz |
Technical Specifications
Mechanical Data
Length | 83 mm |
Weight | 210 g |
Mounting | Screw fastening |
Electrical Data
Primary resistance with wire | Incapable of measurement |
Secondary resistance | Incapable of measurement |
High voltage rise time | ≤ 1.4 kV/µs |
Max. high voltage at | ≤ 33 kV |
Spark current | ≤ 70 mA |
Spark duration at 1 kV || 1 MOhm | ≤ 1.85 ms |
Noise suppression | Inductive and 1 kOhm resistance |
Integrated suppression diode / EFU |
|
Integrated power stage |
|
Characteristic
Measured with power stage | BIP 385 |
Connectors and Wires
Connector primary side | Tyco 0-1488991-1 |
Mating connector primary side | F02U.B00.555-01 |
Pin 1 | ECU ignition signal |
Pin 2 | ECU GND |
Pin 3 | Ubatt |
30 kV grid connector | See Accessories |
Characteristic dwell times [ms]
U batt | I primary | ||||||
| 5.0 A | 5.5 A | 6.0 A | 6.5 A | 7.0 A | 7.5 A | |
Max. | 10 | 9 | 8 | 7 | 6 | 5 | |
6 V | 10.7 | 11.6 |
|
|
|
| |
8 V | 4.7 | 5.4 | 6.8 | 8.3 | 10.2 |
| |
10 V | 3.1 | 3.55 | 4.25 | 4.87 | 5.6 | 6.3 | |
12 V | 2.32 | 2.66 | 3.12 | 3.51 | 3.94 | 4.36 | |
14 V | 1.86 | 2.1 | 2.45 | 2.75 | 3.07 | 3.36 | |
16 V | 1.55 | 1.77 | 2.03 | 2.26 | 2.51 | 2.73 | |
16.5 V | 1.49 | 1.7 | 1.95 | 2.17 | 2.40 | 2.61 | |
18 V | 1.34 | 1.51 | 1.73 | 1.92 | 2.13 | 2.31 | |
20 V | 1.16 | 1.33 | 1.51 | 1.67 | 1.85 | 2.0 | |
24 V | 0.93 | 1.05 | 1.19 | 1.32 | 1.45 | 1.57 | |
Measured values are without loom resistance. Loom resistance must be less than the primary resistance. The needed dwell time is to be verified through current measurement | |||||||

Spark energy and provided high voltage
I prim. | Spark energy | -duration | -current | Hi voltage |
5 A | 33.7 mJ | 1.37 ms | 50 mA | 24.4 kV |
5.5 A | 42 mJ | 1.54 ms | 54 mA | 27.0 kV |
6 A | 48.9 mJ | 1.62 ms | 59 mA | 29.1 kV |
6.5 A | 55.9 mJ | 1.74 ms | 63 mA | 31.2 kV |
7 A | 63.6 mJ | 1.85 ms | 68 mA | 33.2V |
7.5 A | 71.9 mJ | 1.92 ms | 73 mA | 34.7 kV |

Installation Notes
During mounting of the spark plug please pay attention that full clamping and proper contacts are made to ensure safe connection between coil and spark plug (high voltage wire). |
The coil P65-T has an integrated transistor and requires an ECU with internal ignition drivers with 10 to 20 mA current output. |
For technical reasons the values of the coils may vary. |
Please regard the specified limit values. |
Please find further application hints in the offer drawing at our homepage. |
In case of ignition-caused malfunctions, please use screened sensor wires. |
Design Note
We strongly recommend the design of the spark plug shaft has to ensure that there are no sharp edges in the shaft geometry due to design or machining. Only in compliance with this recommendation, a proper function can be ensured. |
Ordering Information
Ignition Coil P65-TWG
Order number: F02U.V02.429-01
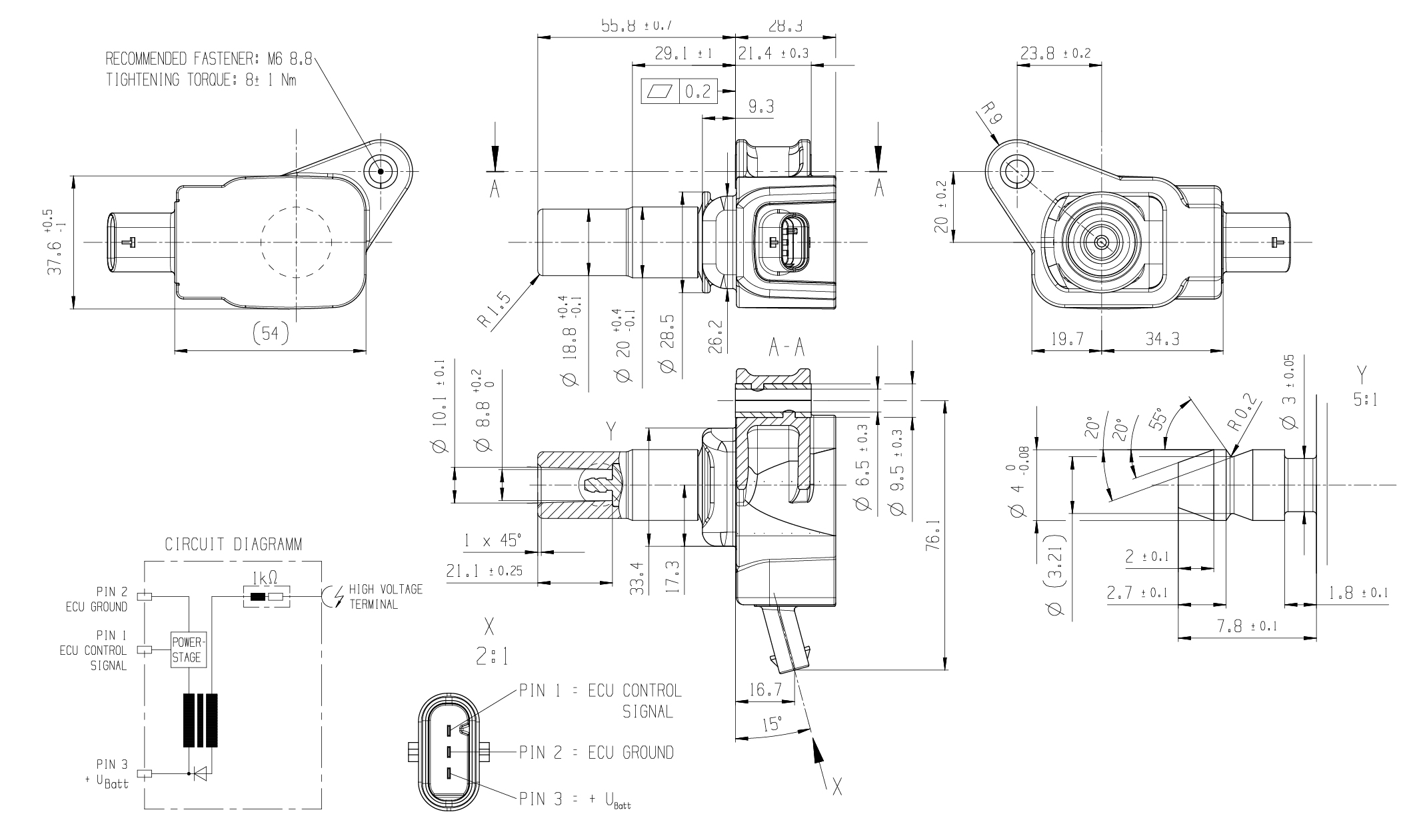
Dimensions

Legal Restrictions
Generally blocked are direct and indirect business involving high risk destinations, including Russia, Belarus, Cuba, Iran, North Korea, Syria, Libya, Afghanistan, and certain non-governmental controlled Ukrainian regions. This list may change as geopolitics evolve.
